WISENET XNF-8010R – купольная IP камера из X серии корейской компании HANWHA TECHWIN (ранее SAMSUNG), выполненная в компактном алюминиевом корпусе и предназначенная для установки и эксплуатации внутри помещений (в т.ч. неотапливаемых).
Она оснащена 1/1.8" CMOS матрицей с разрешением 6 МП и имеет встроенный Fisheye объектив с фиксированным фокусным расстоянием 1.6 мм, который обеспечивает панорамный обзор в 192˚.
Таким образом при размещении камеры на потолке примерно в центре помещения, удается обеспечить детальный обзор довольно больших по площади пространств, а наличие расширенного видеоаналитического функционала способствует ее широкому внедрению в охранные системы видеонаблюдения за торговыми площадями магазинов, офисными помещениями, банками и т.п.
Особенности
• Качественная 1/1.8" КМОП матрица на 6 МП (2048x2048)
• Fisheye объектив с фокусным расстоянием 1.6 мм и обзором 192˚
• ИК подсветка с эффективной дальностью до 15 м для наблюдения в условиях полной темноты
• Возможность настройки обзора – панорама, двойная панорама, вывод четырех отдельных зон и т.п.
• Цифровой PTZ функционал
• Поддержка основных функций для улучшения качества картинки (WDR 120 Дб, HLC, BLC, SSDR, шумоподавление, регулировка усиления, баланса белого и др.)
• Программный детектор движения на 8 зон + 32 области маскирования
• Детекция расфокусировки и попыток взлома
• Расширенные видеоаналитические возможности – обнаружение движения, детекция и распознавание звуков, виртуальные линии, появление/Пропажа предметов, распознавание лиц и т.п.
• Функции бизнес видеоаналитики – подсчет людей, управление потоком людей в очереди, тепловая карта
• Возможность настройки сценариев отработки «тревоги»
• Комбинированный слот для двух micro SD/SDHC/SDXC карт памяти емкостью до 512 Гб
• Эффективное сжатие с применением видеокодеков H.265/H.264/MJPEG и аудиокодеков G.711u-law/G.726
• Высокая скорость записи до 30 fps при максимальном разрешении (только для H.265/H.264 кодеков)
• До десяти отдельных видеопотоков с возможностью индивидуальной настойкой каждого (кодек сжатия, скорость записи, качество и т.п.)
• Поддержка современных сетевых протоколов (IPv4, IPv6, TCP/IP и т.п.)
• Соответствие ONVIF и SUNAPI спецификациям (возможность интеграции в сторонние системы видеонаблюдения)
• Удобный web-интерфейс для управления и настройки
• Наличие композитного CVBS и цифрового micro-USB видеовыходов для подключения инсталляционного монитора
• Встроенный микрофон + аудио вход и выход для реализации 2-сторонней аудио свзи
• Интегрированный тревожный вход и выход
• Электропитание PoE (IEEE802.3af) или от источника DC 12 В
• Прочный алюминиевый корпус цвета «слоновая кость»
• Эксплуатация исключительно внутри помещений при -10°C...+55°C
Комплект поставки:
• Камера: 1 шт.
• Кабель для тестирования монитора: 1 шт.
• Монтажный шаблон: 1 шт.
• Г-образный ключ: 1 шт.
• Самонарезающий винт: 3 шт.
• Пластиковый дюбель: 3 шт.
• Крепежные винты: 3 шт.
• Комплект документации: 1 шт.
Камера поддерживает технологию WiseStream II, которая снижает нагрузку на сеть и позволяет снизить объем хранения записей. Встроенный фиксированный объектив 1.6 мм обеспечивает угол обзора H: 192˚ / V: 192˚. Чувствительность цветного изображения составляет 0,1 люкс (F1.6, 1/30сек.), а в режиме черно-белого изображения - 0Lux (с включенной ИК подсветкой до 15 м).
Камера также обладает рядом интеллектуальных функций, таких как:
• Встроенная видеоаналитика (детектор движения, детектор оставленных/похищенных предметов и т.д.)
• Аудиоаналитика (выстрел, разбитие стекла, взрыв, громкий крик)
• Статистическая видеоаналитика (подсчет посетителей, горячая карта, управление очередью)
• Цифровой PTZ
Например, функция подсчета посетителей может использоваться для анализа потока клиентов в торговых центрах и на других общественных местах, а аудиоаналитика может быть полезна для быстрого обнаружения и реагирования на преступления.
Камера поддерживает подключение через RJ-45 10/100 Base-T Ethernet и имеет встроенный микрофон и аудиовыход, а также слоты для карт записи SD/SDHC/SDXC (до 512 ГБ) и поддержку NAS и прямой записи на ПК.
Камера обладает металлическим корпусом и может работать при температурном диапазоне от -10°C до +55°C. Она также оснащена дополнительным micro USB видеовыходом типа B (1280х720) и аналоговым видеовыходом CVBS: 1.0 V / 75Ω (702 x 576). Встроенная раскладка изображения (Dewarping) позволяет выбрать панорамный, двойной панорамный или квадратный вид.
Камера имеет компенсацию встречной засветки (BLC/HLC), аппаратный динамический диапазон (WDR) 120dB, улучшение контраста (SSDR), цифровое шумоподавление SSNRV (2D+3D фильтры), цифровую стабилизацию изображения и антитуман (Defog).
Камера также оснащена детектором движения с 8-ми точечной зоной, передачей сигнала управления на поворотную IP камеру (Handover) и маскированием до 32 зон.
Благодаря своим многочисленным функциям, WiseNet XNF-8010R может использоваться в различных кейсах, таких как:
• Наблюдение за магазинами, торговыми центрами и другими общественными местами
• Наблюдение за производственными объектами
• Наблюдение за муниципальными объектами
• Наблюдение за офисными помещениями.
Характеристики:
Камера
• Тип: купольная IP камера «рыбий глаз»
• Исполнение: для помещений
• Дальность ИК подсветки: 15 м
• Память: RAM/Flash 1024 МБ / 256 МБ
• Язык интерфейса: английский, французский, немецкий, испанский, итальянский, китайский, корейский, русский, японский, Шведский, португальский, чешский, польский, турецкий, голландский, венгерский, греческий
• Название камеры: отображается до 85 знаков
Матрица
• Матрица: 1/1.8” КМОП
• Разрешение: 6 МП
• Количество эффективных пикселей: 2048x2048
• Развертка: прогрессивная
• Минимальная освещенность:
- цвет: 0.1 лк (F1.6, 1/30 с)
- ч/б: 0 лк (с включенной ИК подсветкой)
Объектив
• Тип: "рыбий глаз" с фиксированным фокусным расстоянием
• Фокусное расстояние: 1.6 мм
• Максимальное относительное отверстие (апертура): F1.6
• Управление фокусировкой: дистанционное управление фокусировкой через сеть
• Углы обзора:
- по горизонтали: 192°
- по вертикали: 192°
- по диагонали: 192°
• Минимальное расстояние до объекта: 0.3 м
Рабочие характеристики и SMART функции
• Режим день/ночь: авто (ИК фильтр)
• Компенсация задней засветки (BLC): +
• Компенсация локальной засветки (HLC): +
• Широкий динамический диапазон (WDR): 120 дБ
• Повышение контрастности: SSDR
• Цифровое шумоподавление (DNR): SSNR Ⅴ
• Цифровая стабилизация изображения: -
• Защита от запотевания: +
• Обнаружение движения: 8 многоугольных областей с 8 вершинами
• Зоны конфиденциальности: 32 многоугольные области (зоны)
• Регулировка усиления: низкий / средний / высокий
• Баланс белого: ATW / AWC / ручной / внутри / снаружи
• Коррекция дисторсии объектива (LDC): -
• Скорость срабатывания электронного затвора: низкая / высокая / защита от мерцания (2 - 1/12000 с)
• Переворот / зеркальное отображение: переворот, зеркальное отображение
Видеоаналитика
• Интеллектуальная видеоаналитика: взлом, блуждание, направленное обнаружение, обнаружение расфокусировки, обнаружение тумана, виртуальная линия, приход/уход, появление/исчезновение; распознавание лица, обнаружение движения, цифровое автоматическое слежение, обнаружение и классификация звуков
• Бизнес аналитика: подсчет людей, управление очередью, тепловая карта
Тревога
• Триггеры сигнала тревоги: сигнал аналитики, отключение сети, сигнал с тревожного входа
• Действия при тревоге: загрузка файлов через FTP и электронную почту, уведомление по электронной почте; запись в местное хранилище по событию, активация тревожного выхода
Видео
• Поддерживаемые кодеки сжатия видеосигнала: H.265/H.264 (Main/Baseline/High), MJPEG
• Поддерживаемые разрешения:
- оригинальный вид 2048x2048, 1280x1280, 1080x1080, 960x960, 768x768, 720x720, 640x640, 480x480
- панорама 2048x512, 1920x480, 1280x320, 640x160, 704x176
- двойная панорама 2048x1024, 1920x960, 1280x640, 640x320, 704x352
- Quad вид 2048x1536, 1600x1200, 1280x960 , 1024x768, 800x600, 640x480, 704x576
- Q1/2/3/4 1024x768, 800x600, 640x480
• Максимальная скорость записи (фреймрейт):
- для кодеков H.265/H.264: макс. 25/30 к/с (50/60 Гц), для разрешения 2048x2048
- для кодека MJPEG: макс. 15 к/с
• Смарт кодек: WiseStream Ⅱ
• Настройка качества видео: управление целевой битовой скоростью передачи данных
• Управление битовой скоростью передачи данных:
- для H.265 / H.264: CBR или VBR
- для MJPEG: VBR
Аудио
• Двусторонняя аудио-связь: +
• Сжатие аудио: G.711 u-law /G.726 на выбор; G.726 (ADPCM) - 8 KHz, G.711 - 8 KHz, G.726 - 16 Kbps, 24 Kbps, 32 Kbps, 40 Kbps; AAC-LC - 48 Kbps или 16 KHz
Сеть
• Стандарт Ethernet: 10/100 BASE-T
• Протоколы: IPv4, IPv6, TCP/IP, UDP/IP, RTP(UDP), RTP(TCP), RTCP, RTSP, NTP, HTTP, HTTPS, SSL/TLS, DHCP, PPPoE, FTP, SMTP, ICMP, IGMP, SNMPv1/v2c/v3(MIB-2), ARP, DNS, DDNS, QoS, PIM-SM, UPnP, Bonjour
• Режим потоковой передачи данных: одноадресный / многоадресный
• Возможность потоковой передачи данных: до 10 профилей
• Максимальное количество пользователей одновременно: до 6 пользователей в одноадресном режиме
• Безопасность: проверка подлинности при входе HTTPS (SSL); проверка подлинности при входе Digest; фильтрация IP-адресов; регистрация доступа пользователей; способ проверки подлинности 802.1X (EAP-TLS, EAP-LEAP)
• Интеграция: ONVIF Profile S/G/T; SUNAPI (HTTP API); открытая платформа Wisenet
• Поддерживаемые ОС: Windows 7, 8.1, 10, Mac OS X 10.10, 10.11, 10.12
• Поддерживаемые браузеры: Google Chrome, MS Explore11, MS Edge, Mozilla Firefox (только 64-битная Windows), Apple Safari (только Mac OS X)
• ПО для централизованного управления: SmartViewer, SSM
Хранение данных
• Слот под карту памяти: 2 шт., SD/SDHC/SDXC до 512 Гб
• Функции: можно загрузить изображения движения, записанные на карте памяти SD; непрерывная запись (с 1-го слота на 2-й)
• Облачное хранение: запись в NAS или на локальный ПК
Интерфейсы
• Сетевой интерфейс: 1хRJ-45 (10/100 Base-T)
• Композитный видеовыход (CVBS): 1.0 Vp-p / 75 Ом - 720x480(N), 720x576(P)
• Цифровой видеовыход (micro-USB): type B, 1280x720
• Встроенный микрофон: +
• Аудиовход: микрофонный / линейный (на выбор)
• Аудиовыход: линейный
• Тревожный вход: 1 шт.
• Тревожный выход: 1 шт.
Электропитание
• Источник: DC 12 В или PoE (IEEE802.3af, класс 3)
• Потребляемая мощность:
- DC: 12 В макс. 11 Вт
- PoE: макс. 12 Вт
Механические характеристики
• Материал корпуса алюминий
• Цвет: слоновая кость
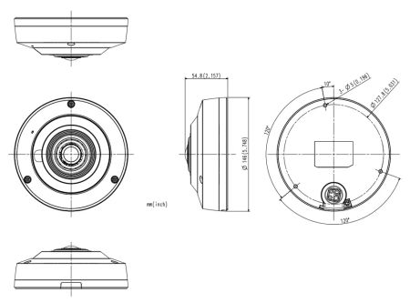
• Габаритные размеры: Ø146x54.8 мм
• Вес: 0.73 кг
Условия эксплуатации
• Температурный диапазон: -10°C ... +55°C
• Относительная влажность: до 90%
Бренд камеры | Wisenet |
Тип камеры | Панорамная FishEye |
Вид камеры | IP |
Исполнение | Для помещений |
Тип матрицы | CMOS |
Физический размер матрицы | 1/1.8 дюйма |
Объектив | С фиксированным фокусным расстоянием |
Фокусное расстояние | 1.6 мм |
Угол обзора | 192° |
Максимальный угол обзора, ° | 192 |
Количество мегапикселей | 6 Мп |
Максимальное разрешение, Пиксель | 2048 x 2048 |
Частота кадров при максимальном разрешении | 25 к/с |
Видеопоток | Тройной поток |
Чувствительность | Цвет: 0.1лк@F1.6; Ч/б: 0лк (с ИК) |
Минимальная освещенность, Лк | 0.1 |
Выдержка затвора | 2 - 1/12 000 сек |
Диафрагма | Фиксированная |
Апертура | F1.6 |
Управление фокусом | Вручную |
Управление приближением | Нет информации |
Тип подсветки | С подсветкой, ИК |
Дальность подсветки, м | 15 |
Режим День/Ночь | Механический ИК-фильтр с автопереключением |
Карты памяти SD | С поддержкой SD карт, Micro SD/SDHC/SDXC (2 х 512Гб) |
Поддерживаемая видеоаналитика | Детекция движения, Вторжение в зону, Пересечение виртуальных линий, Праздношатание, Пропавшие или оставленные предметы, Зоны маскирования, Обнаружение лиц, Антисаботаж, Коридорный режим, Подсчёт посетителей, Слежение за объектами, Тепловые карты |
Детектор движения | Программный |
Стандарт ONVIF | Поддерживается, Profile S, Profile G, Profile T |
Аудиоаналитика | Детекция звука, Распознавание звуков по типам |
Сетевой интерфейс | Ethernet 10/100M |
Кибербезопасность | HTTPS |
Тип ONVIF | Device |
Сетевое хранение | NAS |
Улучшение изображения | WDR (аппаратный), AGC, BLC, HLC, DNR, AWB, Defog, ROI |
Видеокодек | H.264, H.265, MJPEG |
Аудиокодек | AAC, ADPCM, G.711, G.726 |
Аудио | Линейный вход / Линейный выход |
Встроенный микрофон | Есть |
Встроенный динамик | Нет |
Тревожные входы | 1 |
Тревожные выходы | 1 |
Встроенный нагреватель | Нет |
Напряжение питания | 12 В / PoE |
Источник питания | Внешний адаптер (в комплект не входит), PoE |
Потребляемая мощность, макс. | 12 Вт |
PoE стандарт | IEEE 802.3af |
Габариты | Ø 146x54.8 мм |
Вес, кг | 0.73 |
Рабочая температура | от -10°C до +55°C |
Рабочая влажность | не выше 90% без конденсации |
Соответствие стандартам | CE, ONVIF, SUNAPI |
Цвет | Белый |
Гарантия | 3 года |
Страна производства | Южная Корея |
Функция «Быстрый заказ» позволяет покупателю не проходить всю процедуру оформления заказа самостоятельно. Вы заполняете форму, и через короткое время вам перезвонит менеджер магазина. Он уточнит все условия заказа, ответит на вопросы, касающиеся качества товара, его особенностей. А также подскажет о вариантах оплаты и доставки.
По результатам звонка, пользователь либо, получив уточнения, самостоятельно оформляет заказ, укомплектовав его необходимыми позициями, либо соглашается на оформление в том виде, в котором есть сейчас. Получает подтверждение на почту или на мобильный телефон и ждёт доставки.
Оформление заказа в стандартном режиме
Если вы уверены в выборе, то можете самостоятельно оформить заказ, заполнив по этапам всю форму.
Заполнение адреса
Выберите из списка название вашего региона и населённого пункта. Если вы не нашли свой населённый пункт в списке, выберите значение «Другое местоположение» и впишите название своего населённого пункта в графу «Город». Введите правильный индекс.
Доставка
В зависимости от места жительства вам предложат варианты доставки. Выберите любой удобный способ. Подробнее об условиях доставки читайте в разделе «Доставка».
Оплата
Выберите оптимальный способ оплаты. Подробнее о всех вариантах читайте в разделе «Оплата»
Покупатель
Введите данные о себе: ФИО, адрес доставки, номер телефона. В поле «Комментарии к заказу» введите сведения, которые могут пригодиться курьеру, например: подъезды в доме считаются справа налево.
Оформление заказа
Проверьте правильность ввода информации: позиции заказа, выбор местоположения, данные о покупателе. Нажмите кнопку «Оформить заказ».
Наш сервис запоминает данные о пользователе, информацию о заказе и в следующий раз предложит вам повторить к вводу данные предыдущего заказа. Если условия вам не подходят, выбирайте другие варианты.
Если Вы хотите узнать об условиях доставки и оплаты, но не желаете о них читать, то Вы можете позвонить любому нашему сотруднику, и он обязательно Вам поможет.
Покупка за безналичный расчет
При оплате за безналичный расчет наш сотрудник свяжется с Вами, чтобы подтвердить заказ и уточнить сроки и адрес доставки. После оформления заказа сотрудник нашей компании вышлет вам счет, по которому необходимо будет произвести оплату.
После оплаты заказа к Вам приедет наш курьер, который доставит ваш заказ.
Самостоятельно забрать заказ из пунктов самовывоза Вы можете после его оплаты по безналичному расчету. Оплата доставки до пунктов выдачи транспортных компаний производится по тарифам выбранной Вами транспортной компании непосредственно в месте получения заказа.
Самовывоз из офиса нашей компании в Зеленограде, так же возможен после предоплаты по безналичному расчету, и предварительной договоренности с менеджером.
Интернет-магазин выполняет доставку любого товара своей собственной Службой доставки.
Стоимость доставки курьером
Стоимость доставки по Москве, Все товары —750 руб., бесплатная доставка от 25000 руб
Стоимость доставки по Московской области рассчитывается для каждого заказа индивидуально и зависит от суммарного веса товаров заказа и удаленности адреса доставки.
Время доставки
Время доставки согласовывается с менеджером Службы доставки, который обязательно свяжется с вами сразу после того, как вы разместите свой заказ.
Для осуществления доставки в регионы России мы пользуемся услугами компаний СДЭК, ЖелДорЭкспедиция, Автотрейдинг, Деловые Линии. В таком случае, указанными кампаниями взимается стоимость доставки по их внутренним тарифам с заказчика при получении товара.
Самовывоз
Забрать товар самостоятельно и абсолютно бесплатно можно только по адресу: Москва, Зеленоград, Панфиловский проспект, дом 10.
Забрать товар самовывозом можно по любому из адресов самовывоза указанных здесь, стоимость доставки до пункта самовывоза рассчитывается для каждого заказа по тарифам транспортных компаний.









