Извещатель пожарный пламени «Тюльпан 1‑1» (ИП 330‑1‑1) представляет собой высокочувствительное и надёжное устройство для автоматического обнаружения открытого пламени на ранней стадии возгорания. Прибор фиксирует пульсирующее инфракрасное излучение пламени на длине волны 4,3 мкм и обеспечивает уверенное срабатывание при тестовых очагах ТП‑5 и ТП‑6 на расстоянии до 25 м. Микропроцессорная адаптивная обработка сигнала существенно снижает вероятность ложных тревог под воздействием внешних помех и интенсивных источников ИК‑излучения.
«Тюльпан 1‑1» предназначен для применения в помещениях и на площадках, где возможен быстрый рост пламенного горения и где традиционные дымовые или тепловые извещатели малоэффективны: производственные цеха с обработкой деревянных, полимерных и текстильных материалов, склады горючих жидкостей, автомобильные мастерские, фотолаборатории, театральные и музейные помещения. Корпус из анодированного алюминия со степенью защиты IP65 обеспечивает эксплуатацию в условиях запылённости, влаги и агрессивных сред.
Особенности
- Инфракрасное обнаружение пульсирующего излучения открытого пламени
- Адаптивная микропроцессорная обработка сигналов для снижения помех
- Широкий угол обзора 90° и дальность обнаружения до 25 м
- Алюминиевый корпус с защитой IP65, устойчивый к коррозии и механическим воздействиям
- Возможность работы в 2‑ и 4‑проводном шлейфе с выбором режима подключения
- Настройка помехоустойчивости с помощью потенциометра «СЧЕТ»
- Быстрое время готовности к работе — не более 10 с после включения питания
- Светодиодная индикация режимов «Норма», «Пожар» и «Неисправность»
Преимущества
- Молниеносное обнаружение открытого пламени на ранней стадии возгорания
- Высокая надёжность в экстремальных условиях благодаря адаптивной обработке
- Широкий диапазон рабочих температур и высокая степень защиты IP65
- Компактные размеры и малый вес упрощают монтаж и обслуживание
- Длительный срок службы не менее 10 лет и средняя наработка на отказ 60 000 ч
- Гибкость монтажа: установка на стенах, перекрытиях и технологическом оборудовании
- Простая юстировка и проверка функционирования с помощью тестового фонаря ТФ‑1
Недостатки
- Фиксируется только пульсирующее ИК‑излучение открытого пламени, тлеющие очаги не обнаруживаются
- Чувствительность может снижаться в условиях сильного дождя, тумана или снега
- Возможны ложные срабатывания от интенсивных ИК‑источников (сварка, инфракрасные нагреватели)
- Требуется прямая видимость зоны контроля без перекрывающих препятствий
- Неадресное исполнение не позволяет работать в сетях с индивидуальным кодированием извещателей
Обладая продуманной конструкцией, надёжной электроникой и адаптивным алгоритмом обработки, извещатель «Тюльпан 1‑1» станет эффективным элементом системы противопожарной защиты объектов различного назначения.
Характеристики:
- Максимум спектральной чувствительности, мкм: 4,3
- Угол обзора: 90°
- Дальность обнаружения тестовых очагов ТП-5 и ТП-6, м, не менее: 25
- Напряжение питания постоянного тока, В: 8 — 28
- Ток потребления в дежурном режиме, мА, не более: - при подключении по 4-х проводному шлейфу: 3
- Ток потребления в режиме тревожного извещения, мА, не более: - при подключении по 4-х проводному шлейфу: 8
- Время готовности к работе после подачи питания, с, не более: 10
- Время срабатывания, с, не более: 15
- Время удержания извещения «ПОЖАР», с, не более: до отключения питания
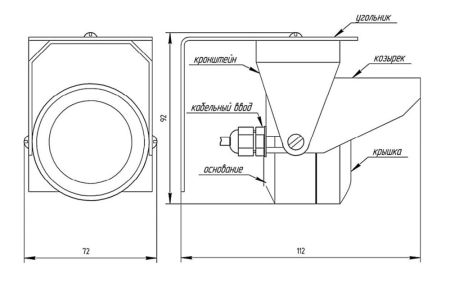
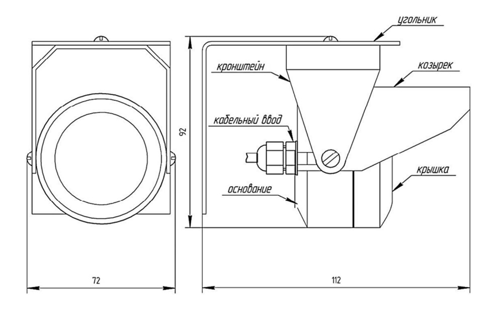
- Габаритные размеры (Ш х Д х В), мм: 72 х 112 х 92
- Масса, кг, не более: 0,4
- Рабочие значения температуры окружающей среды, °С: от минус 40 до плюс 55 включ.
- Средний срок службы, лет, не менее: 10
- Средняя наработка на отказ, ч, не менее: 60000
- Степень защиты: IP65
- Материал корпуса: алюминий
- при подключении по 2-х проводному шлейфу: 0,2
- при подключении по 2-х проводному шлейфу: 6 (устанавливается добавочным резистором Rдоб.)
Параметры оптронных реле «Ш1», «Ш2»
- Коммутируемый ток, мА, не более: 100
- Коммутируемое напряжение, В, не более: 100
- Сопротивление закрытого реле, МОм, не менее: 15
- Сопротивление открытого реле, Ом, не более: 16
- Напряжение гальванической развязки входа/выхода, В, не менее: 1500
Бренд | Полисервис |
Тип извещателя | ИК, Пламени |
Тип передачи данных | Проводной |
Исполнение | Уличное |
Скорость срабатывания | 15 сек |
Тип монтажа | Настенный |
Материал | Алюминий |
Индикация | Световая |
Угол обзора | 90° |
Напряжение питания | 8...28 В |
Потребляемый ток, макс. | 200 мА |
Дальность действия | 25 м |
Габариты | 72х112х92 мм |
Вес, кг | 0.4 |
Рабочая температура | от -40°C до +55°C |
Класс защиты (IP) | IP65 |
Наработка на отказ, не менее | 60 000 часов |
Средний срок службы | Не менее 10 лет |
Гарантия | 2 года |
Страна производства | Россия |
Функция «Быстрый заказ» позволяет покупателю не проходить всю процедуру оформления заказа самостоятельно. Вы заполняете форму, и через короткое время вам перезвонит менеджер магазина. Он уточнит все условия заказа, ответит на вопросы, касающиеся качества товара, его особенностей. А также подскажет о вариантах оплаты и доставки.
По результатам звонка, пользователь либо, получив уточнения, самостоятельно оформляет заказ, укомплектовав его необходимыми позициями, либо соглашается на оформление в том виде, в котором есть сейчас. Получает подтверждение на почту или на мобильный телефон и ждёт доставки.
Оформление заказа в стандартном режиме
Если вы уверены в выборе, то можете самостоятельно оформить заказ, заполнив по этапам всю форму.
Заполнение адреса
Выберите из списка название вашего региона и населённого пункта. Если вы не нашли свой населённый пункт в списке, выберите значение «Другое местоположение» и впишите название своего населённого пункта в графу «Город». Введите правильный индекс.
Доставка
В зависимости от места жительства вам предложат варианты доставки. Выберите любой удобный способ. Подробнее об условиях доставки читайте в разделе «Доставка».
Оплата
Выберите оптимальный способ оплаты. Подробнее о всех вариантах читайте в разделе «Оплата»
Покупатель
Введите данные о себе: ФИО, адрес доставки, номер телефона. В поле «Комментарии к заказу» введите сведения, которые могут пригодиться курьеру, например: подъезды в доме считаются справа налево.
Оформление заказа
Проверьте правильность ввода информации: позиции заказа, выбор местоположения, данные о покупателе. Нажмите кнопку «Оформить заказ».
Наш сервис запоминает данные о пользователе, информацию о заказе и в следующий раз предложит вам повторить к вводу данные предыдущего заказа. Если условия вам не подходят, выбирайте другие варианты.
Если Вы хотите узнать об условиях доставки и оплаты, но не желаете о них читать, то Вы можете позвонить любому нашему сотруднику, и он обязательно Вам поможет.
Покупка за безналичный расчет
При оплате за безналичный расчет наш сотрудник свяжется с Вами, чтобы подтвердить заказ и уточнить сроки и адрес доставки. После оформления заказа сотрудник нашей компании вышлет вам счет, по которому необходимо будет произвести оплату.
После оплаты заказа к Вам приедет наш курьер, который доставит ваш заказ.
Самостоятельно забрать заказ из пунктов самовывоза Вы можете после его оплаты по безналичному расчету. Оплата доставки до пунктов выдачи транспортных компаний производится по тарифам выбранной Вами транспортной компании непосредственно в месте получения заказа.
Самовывоз из офиса нашей компании в Зеленограде, так же возможен после предоплаты по безналичному расчету, и предварительной договоренности с менеджером.
Интернет-магазин выполняет доставку любого товара своей собственной Службой доставки.
Стоимость доставки курьером
Стоимость доставки по Москве, Все товары —750 руб., бесплатная доставка от 25000 руб
Стоимость доставки по Московской области рассчитывается для каждого заказа индивидуально и зависит от суммарного веса товаров заказа и удаленности адреса доставки.
Время доставки
Время доставки согласовывается с менеджером Службы доставки, который обязательно свяжется с вами сразу после того, как вы разместите свой заказ.
Для осуществления доставки в регионы России мы пользуемся услугами компаний СДЭК, ЖелДорЭкспедиция, Автотрейдинг, Деловые Линии. В таком случае, указанными кампаниями взимается стоимость доставки по их внутренним тарифам с заказчика при получении товара.
Самовывоз
Забрать товар самостоятельно и абсолютно бесплатно можно только по адресу: Москва, Зеленоград, Панфиловский проспект, дом 10.
Забрать товар самовывозом можно по любому из адресов самовывоза указанных здесь, стоимость доставки до пункта самовывоза рассчитывается для каждого заказа по тарифам транспортных компаний.
Более 100 научных исследований, системных обзоров и метаанализов было проработано для подготовки этого материала. Несмотря на значение городов в современном мире, их будущее на удивление хрупко и представляет угрозу не только для их жителей, но и для стран, и даже для всей человеческой цивилизации.








