Турникеты Р2М1/3 отличается от других турникетов серии Р2 широкой створкой и хорошо вписываются в интерьер бизнес центров, банков, государственных учреждений.
Типовой комплект поставки:
• Стойка турникета: 1 шт.
• Блок электронного управления БЭУ: 1 шт.
• Пульт дистанционного управления ПДУ: 1 шт.
• Дуги с пластиковыми вставками белого цвета: 3 шт.
• Паспорт. Руководство по эксплуатации: 1 шт.
В комплект не входят и приобретаются отдельно:
Ограждения для роторных турникетов
Преимущества турникетов Ростов-Дон:
• Нормально закрытый турникет
• Дизайн на любой вкус, особенно элегантно выглядят турникеты в хромированном исполнении, которые отлично смотрятся в самых элитных местах
• Высокая долговечность благодаря встроенному гидродоводчику
• Плавность и бесшумность работы
• Турникет может работать как от пульта, так и от системы контроля доступа, при этом система контроля доступа может быть поставлена с турникетом как опция
• Корпус турникета может быть изготовлен как из стали, окрашенной порошковым методом в любой цвет по RAL (стандартный цвет – «серебряный антик»), так и из хромированной стали (Р2М1/3 Хром), преграждающие дуги - из хромированной или нержавеющей стали
• Может комплектоваться ограждениями, выполненными с ним в едином дизайне
• Имеется механическая разблокировка
Выпускаемые модели турникетов серии Р2:
• «Ростов-Дон Р2М1/3» - трехлопастной с дугами увеличенной высоты
• «Ростов-Дон Р2М2/3» - трехлопастной со штангами
• «Ростов-Дон Р2С/3» - трехлопастной со стеклянными створками
Турникеты выпускаются в крашеном (Р2М1/3, Р2М2/3, Р2С/3), хромированном (Р2М1/3-Хром, Р2М2/3-Хром, Р2С/3-Хром) и нержавеющем (Р2М1/3-Нерж, Р2М2/3-нерж, Р2С/3-Нерж) исполнении.
Все модели турникетов могут пропускать как по одному человеку, так и группы людей. Пропускная способность в режиме однократного прохода равна 30 человек в минуту.
Турникеты управляются с пульта дистанционного управления (ПДУ). Кроме того, они могут быть легко встроены в систему контроля и управления доступом (СКУД), для чего предусмотрены специальные входные и выходные цепи.
По условиям применения электромеханические турникеты соответствуют группе УХЛ 4.2 по ГОСТ 15150-69. Турникеты предназначены для эксплуатации внутри помещения при температуре от +1°С до +50°С. По спецзаказу изготавливается турникет уличного исполнения для эксплуатации вне помещения при температуре от -30°С до +50°С.
Устройство и принцип работы
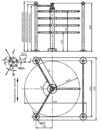
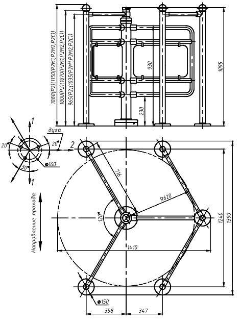
Турникет состоит из стойки 1, на которой смонтирован поворотный механизм 2. С поворотным механизмом соединены дуги (штанги турникетов Р2М2/3 или стеклянные створки турникетов Р2С/3) 3, которые служат для перекрытия прохода. В верхней части стойки 1 имеется крышка 4, в которую вставлены световые индикаторы 5 из двухцветных светодиодов (зеленый свет означает разрешение прохода, красный - запрет). В нижней части стойки 1 расположен кожух 6, под которым находится механизм стопорения турникета.
Дуга (штанги или стеклянная створка) 3 вращается вместе с поворотным механизмом 2 вокруг вертикальной оси стойки 1.

Нормальное состояние турникета, при котором механизм поворота застопорен - "закрыто"; в этом случае расфиксация механизма поворота осуществляется с пульта дистанционного управления или СКУД (подачей напряжения на электромагниты). При подаче команды на разрешение прохода (охранником с ПДУ или автоматически от СКУД в случае, если Потребитель ее установил) механизм поворота разблокируется для прохода одного человека или группы людей (в зависимости от выбранного режима).
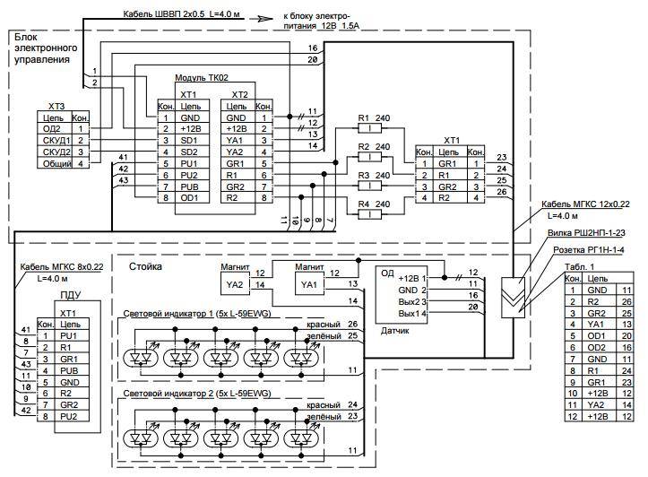
К турникету подключается ПДУ и блок электронного управления (БЭУ).
Схема электрическая принципиальная для всех моделей турникетов

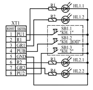
Схема электрическая принципиальная ПДУ

Турникет дистанционно открывается для прохода как одного человека, так и группы людей в заданном направлении; при необходимости открытия турникета на длительное время нужно использовать механическую разблокировку турникета с помощью механизма расфиксации (см. ниже описание экстренных ситуаций, пункт а).
Для удобства управления от ПДУ, в блоке электронного управления (БЭУ) предусмотрена функция задержки времени на проход через турникет с принудительным сбросом по факту прохода.
В турникете предусмотрен режим экстренного пропускания людей в случаях пожара, сигнала тревоги, проноса крупногабаритных грузов и т.д. Он реализован двумя способами:
а) с помощью механизма расфиксации 7 с ручным приводом. Он установлен в нижней части турникета под кожухом 6 и обеспечивает принудительное расфиксирование дуги в нужном направлении. Доступ к механизму расфиксации осуществляется через отверстие в кожухе 6 с помощью отвертки: при вращении отвертки по часовой стрелке происходит расфиксация механизма поворота, при вращении отвертки против часовой стрелки – его стопорение;
б) путем снятия дуги (штанг).
Правила эксплуатации и режимы работы
Перед включением турникета необходимо путем визуального осмотра проверить состояние кабелей и включить блок питания.
После включения питания начальное состояние турникета – «Закрыто». При этом индикаторы направления движения светятся красным светом.
Режимы работы турникета указаны в таблице

При эксплуатации не допускается:
• использование абразивных и химически активных веществ (в том числе ацетона, бензина, растворителей, хлорсодержащих и кислотосодержащих моющих веществ) для очистки наружных поверхностей турникета; для ухода за турникетом рекомендуется периодически протирать наружные поверхности из хромированной и нержавеющей стали чистящим средством для хрома, а окрашенные поверхности – нейтральными или слабощелочными моющими средствами;
• перемещение через зону прохода турникета предметов, превышающих ширину проема прохода;
• рывки и удары по преграждающим дугам (штангам или створкам), стойке турникета и индикаторам, так как возможно их механическое повреждение и деформация, а также возможен преждевременный выход из строя механизма турникета.
Рекомендации по электромонтажу:
• не рекомендуется установка изделия на расстоянии менее 1 метра от мощных источников электрических помех;
• пересечение всех сигнальных кабелей кабелями других силовых установок допускается только под прямым углом;
• любые удлинения сигнальных кабелей производить только методом пайки.
ВАЖНО! Монтаж изделия должен осуществляться сертифицированным персоналом.
Требования безопасности
Электрические схемы турникета и ПДУ изолированы от корпуса. При этом на них подается напряжение не выше 12В+5% постоянного тока.
Корпус турникета необходимо заземлять. Клемма заземления находится под кожухом основания турникета.
При эксплуатации турникета необходимо соблюдать общие правила электробезопасности при пользовании электрическими приборами.
Изготовитель не несет ответственности за ущерб, нанесенный в результате неправильной установки турникета, и отклоняет любые претензии, если установка выполнена не в соответствии с указаниями настоящей инструкции.
Запрещается вскрывать крышку 4, кожух 6 и БЭУ без предварительного отключения от сети.
Подготовка к работе и порядок установки
Распакуйте турникет и проверьте его комплектность.
Подготовьте и закрепите специальные крепежные (анкерные) болты М10 в соответствии с разметкой (см.фото).
Установите стойку турникета.
Установите на место дуги 3 турникетов Р2/3 (штанги турникетов Р2М2/3). Для этого наденьте дугу (штангу) на специальные пальцы, закройте место соединения декоративными втулками 8, зафиксируйте дугу винтами М8 шестигранным ключом №6 и декоративные втулки установочными винтами.
В турникетах моделей Р2М1/3 наденьте дугу на специальные пальцы, средние горизонтали дуги на специальные гайки. Зафиксируйте дугу винтами М8 шестигранным ключом №6, средние горизонтали - вращением специальных гаек против часовой стрелки (отвинчивая). Закройте пальцы и гайки декоративными втулками 8 и зафиксируйте втулки установочными винтами.
В турникетах моделей Р2С/3 стеклянную створку установить по отверстиям в стеклодержателе и накладке, затянуть винты стяжек.
Заземлите корпус турникета.
Подсоедините кабель от БЭУ к турникету. Подключите блок электроники к сети.
Внимание! При подаче на турникет питания напряжением выше 18В включается звуковая сигнализация. Необходимо немедленно отключить подаваемое напряжение и принять меры по его нормализации – 12В+-2В постоянного тока.
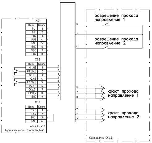
Сопряжение и работа со СКУД
Подключение турникета к контроллеру СКУД осуществляется в соответствии с табл. 3 через разъем XS2 модуля IB v1.1, установленного в выносном блоке управления.

К контакту 9 разъема XS2 модуля IB v1.1 присоединить цепь «Общий» контроллера СКУД.
Управление турникетом осуществляется по цепям «СКУД1» и «СКУД2» посредством замыкания контактов 7 или 8 разъема XS2 модуля IB v1.1 на общий провод.

Сигналы, подаваемые на входы «СКУД1» и «СКУД2», должны иметь TTL-уровни. Данные сигналы также могут быть сформированы посредством нормально разомкнутых контактов реле или транзисторами включенными по схеме открытый коллектор (открытый сток). Длительность подаваемых сигналов для разблокировки турникета на вход и/или выход определяется контроллером СКУД. Направление входа и выхода остаются разблокированными пока цепи «СКУД1» и/или «СКУД2» соответственно замкнуты на общий провод.
Сигнал «Факт прохода» формируется при повороте проходящим человеком штанг турникета более чем на 60° переключением контактов реле для соответствующего направления прохода. Время, в течение которого контакты реле находятся в переключенном состоянии, составляет 0,6±0,05 с.
Бренд турникета | Ростов-Дон |
Вид турникета | Турникет |
Тип турникета | Полуростовой |
Тип корпуса турникета | Однопроходной, Напольный |
Тип привода турникета | Роторный |
Исполнение турникета | Для помещений |
Материал корпуса турникета | Окрашенная сталь |
Преграждающие планки/створки | Стандартные, в комплекте |
Тип блокировки | Нормально закрытый (НЗ) |
Встроенный картоприемник | Нет |
Встроенные считыватели | Без считывателей |
Пропускная способность | 20-30 чел/мин |
Пульт управления | 1 шт. в комплекте |
Напряжение питания | 12 В |
Источник питания | В комплект НЕ ВХОДИТ! (приобретается отдельно) |
Потребляемый ток, макс. | 2 А |
Габариты | 1100×950×1095 мм |
Ширина перекрываемого прохода | 1240 мм |
Вес, кг | 40.5 |
Рабочая температура | от +1°C до +50°C |
Средний срок службы | Не менее 8 лет |
Стыковка со СКУД | Любые типы СКУД |
Сертификаты | Транспортной безопасности |
Гарантия | 2 года |
Страна производства | Россия |
Функция «Быстрый заказ» позволяет покупателю не проходить всю процедуру оформления заказа самостоятельно. Вы заполняете форму, и через короткое время вам перезвонит менеджер магазина. Он уточнит все условия заказа, ответит на вопросы, касающиеся качества товара, его особенностей. А также подскажет о вариантах оплаты и доставки.
По результатам звонка, пользователь либо, получив уточнения, самостоятельно оформляет заказ, укомплектовав его необходимыми позициями, либо соглашается на оформление в том виде, в котором есть сейчас. Получает подтверждение на почту или на мобильный телефон и ждёт доставки.
Оформление заказа в стандартном режиме
Если вы уверены в выборе, то можете самостоятельно оформить заказ, заполнив по этапам всю форму.
Заполнение адреса
Выберите из списка название вашего региона и населённого пункта. Если вы не нашли свой населённый пункт в списке, выберите значение «Другое местоположение» и впишите название своего населённого пункта в графу «Город». Введите правильный индекс.
Доставка
В зависимости от места жительства вам предложат варианты доставки. Выберите любой удобный способ. Подробнее об условиях доставки читайте в разделе «Доставка».
Оплата
Выберите оптимальный способ оплаты. Подробнее о всех вариантах читайте в разделе «Оплата»
Покупатель
Введите данные о себе: ФИО, адрес доставки, номер телефона. В поле «Комментарии к заказу» введите сведения, которые могут пригодиться курьеру, например: подъезды в доме считаются справа налево.
Оформление заказа
Проверьте правильность ввода информации: позиции заказа, выбор местоположения, данные о покупателе. Нажмите кнопку «Оформить заказ».
Наш сервис запоминает данные о пользователе, информацию о заказе и в следующий раз предложит вам повторить к вводу данные предыдущего заказа. Если условия вам не подходят, выбирайте другие варианты.
Если Вы хотите узнать об условиях доставки и оплаты, но не желаете о них читать, то Вы можете позвонить любому нашему сотруднику, и он обязательно Вам поможет.
Покупка за безналичный расчет
При оплате за безналичный расчет наш сотрудник свяжется с Вами, чтобы подтвердить заказ и уточнить сроки и адрес доставки. После оформления заказа сотрудник нашей компании вышлет вам счет, по которому необходимо будет произвести оплату.
После оплаты заказа к Вам приедет наш курьер, который доставит ваш заказ.
Самостоятельно забрать заказ из пунктов самовывоза Вы можете после его оплаты по безналичному расчету. Оплата доставки до пунктов выдачи транспортных компаний производится по тарифам выбранной Вами транспортной компании непосредственно в месте получения заказа.
Самовывоз из офиса нашей компании в Зеленограде, так же возможен после предоплаты по безналичному расчету, и предварительной договоренности с менеджером.
Интернет-магазин выполняет доставку любого товара своей собственной Службой доставки.
Стоимость доставки курьером
Стоимость доставки по Москве, Все товары —750 руб., бесплатная доставка от 25000 руб
Стоимость доставки по Московской области рассчитывается для каждого заказа индивидуально и зависит от суммарного веса товаров заказа и удаленности адреса доставки.
Время доставки
Время доставки согласовывается с менеджером Службы доставки, который обязательно свяжется с вами сразу после того, как вы разместите свой заказ.
Для осуществления доставки в регионы России мы пользуемся услугами компаний СДЭК, ЖелДорЭкспедиция, Автотрейдинг, Деловые Линии. В таком случае, указанными кампаниями взимается стоимость доставки по их внутренним тарифам с заказчика при получении товара.
Самовывоз
Забрать товар самостоятельно и абсолютно бесплатно можно только по адресу: Москва, Зеленоград, Панфиловский проспект, дом 10.
Забрать товар самовывозом можно по любому из адресов самовывоза указанных здесь, стоимость доставки до пункта самовывоза рассчитывается для каждого заказа по тарифам транспортных компаний.









