Беспроводной гостиничный замок, совместимый с ZKBioSecurity с системой управления замками ZKBioHLMS (ZKBioHLMS).
ZL600 обеспечивает удобство беспроводного гостиничного замка. Этот умный гостиничный замок изготовлен из нержавеющей стали SAE 304, что повышает его долговечность и устойчивость к коррозии. Стильный ZL600 прошел испытание солевым аэрозолем в течение 96 часов, соответствует более жестким требованиям к коррозионной среде, например, на морском побережье, выдерживает воздействие агрессивной среды и устойчив к экстремальным погодным условиям.
Корпус врезного замка ZL600 выполнен по европейскому стандарту, что позволяет пользователям отпирать дверь с помощью смартфона HTML5 (H5), который поддерживает ZKBioHLMS.
Кроме того, ZL600 работает со связью ZigBee, и пользователи могут управлять этим интеллектуальным дверным замком отеля локально и удаленно.
Это идеальное решение для шикарных отелей и курортов.
Характеристики:
• Материал корпуса (нержавеющая сталь SAE 304)
• Корпус врезного замка европейского стандарта (стандарт ЕС 6085, опционально 3085)
• Разблокировка со смартфона
• Считыватель карт: D147-H
• Связь: ZigBee
• Главный шлюз Zigbee: SLG410 (приобретается отдельно)
• Тип карты: IC S50 / S70 Card
• Поддержка аварийного режима
• Толщина двери: 32-58 мм, 59- 83 мм (опционально)
• Бэксет: 60 мм
• Источник питания: Щелочная батарея 4 * AA (не входит в комплект)
• Срок службы батареи: до 1 года
• Статический ток: 30uA
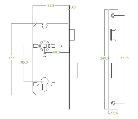
• Размеры (Д * Ш * Г):
- Наружный блок: 293.4*41.4*24.5 (мм)
- Внутренний блок: 293.4*41.4*24.0 (мм)
• Поддерживаемое программное обеспечение: ZKBioHLMS
• Рабочая температура: от -20°C до 55°C
• Рабочая влажность: от 5% до 95%относительной влажности воздуха
• Сертификаты: CE, FCC
Бренд | ZKTeco |
Исполнение | Для помещений |
Тип замка | Электронный замок |
Вид замка | Врезной |
Подходящая глубина двери | 35 - 55 мм |
Возможность открытия ключом | нет |
Тип встроенного считывателя | RFID |
Материал корпуса | Нержавеющая сталь |
Беспроводная связь | ZigBee |
Открытие замка | По RFID карте, Со смартфона |
Высота замка, мм | 172.1 |
Глубина замка, мм | 88.5 |
Ширина замка, мм | 22 |
Клавиатура | Нет |
Напряжение питания | от 4х батареек 1.5В |
Срок службы батареи | 1 год |
Вес, кг | 3 |
Рабочая температура | от -20°C до +55°C |
Рабочая влажность | 5% - 95% без конденсации |
Гарантия | 1 год |
Страна производства | Китай |
Функция «Быстрый заказ» позволяет покупателю не проходить всю процедуру оформления заказа самостоятельно. Вы заполняете форму, и через короткое время вам перезвонит менеджер магазина. Он уточнит все условия заказа, ответит на вопросы, касающиеся качества товара, его особенностей. А также подскажет о вариантах оплаты и доставки.
По результатам звонка, пользователь либо, получив уточнения, самостоятельно оформляет заказ, укомплектовав его необходимыми позициями, либо соглашается на оформление в том виде, в котором есть сейчас. Получает подтверждение на почту или на мобильный телефон и ждёт доставки.
Оформление заказа в стандартном режиме
Если вы уверены в выборе, то можете самостоятельно оформить заказ, заполнив по этапам всю форму.
Заполнение адреса
Выберите из списка название вашего региона и населённого пункта. Если вы не нашли свой населённый пункт в списке, выберите значение «Другое местоположение» и впишите название своего населённого пункта в графу «Город». Введите правильный индекс.
Доставка
В зависимости от места жительства вам предложат варианты доставки. Выберите любой удобный способ. Подробнее об условиях доставки читайте в разделе «Доставка».
Оплата
Выберите оптимальный способ оплаты. Подробнее о всех вариантах читайте в разделе «Оплата»
Покупатель
Введите данные о себе: ФИО, адрес доставки, номер телефона. В поле «Комментарии к заказу» введите сведения, которые могут пригодиться курьеру, например: подъезды в доме считаются справа налево.
Оформление заказа
Проверьте правильность ввода информации: позиции заказа, выбор местоположения, данные о покупателе. Нажмите кнопку «Оформить заказ».
Наш сервис запоминает данные о пользователе, информацию о заказе и в следующий раз предложит вам повторить к вводу данные предыдущего заказа. Если условия вам не подходят, выбирайте другие варианты.
Если Вы хотите узнать об условиях доставки и оплаты, но не желаете о них читать, то Вы можете позвонить любому нашему сотруднику, и он обязательно Вам поможет.
Покупка за безналичный расчет
При оплате за безналичный расчет наш сотрудник свяжется с Вами, чтобы подтвердить заказ и уточнить сроки и адрес доставки. После оформления заказа сотрудник нашей компании вышлет вам счет, по которому необходимо будет произвести оплату.
После оплаты заказа к Вам приедет наш курьер, который доставит ваш заказ.
Самостоятельно забрать заказ из пунктов самовывоза Вы можете после его оплаты по безналичному расчету. Оплата доставки до пунктов выдачи транспортных компаний производится по тарифам выбранной Вами транспортной компании непосредственно в месте получения заказа.
Самовывоз из офиса нашей компании в Зеленограде, так же возможен после предоплаты по безналичному расчету, и предварительной договоренности с менеджером.
Интернет-магазин выполняет доставку любого товара своей собственной Службой доставки.
Стоимость доставки курьером
Стоимость доставки по Москве, Все товары —750 руб., бесплатная доставка от 25000 руб
Стоимость доставки по Московской области рассчитывается для каждого заказа индивидуально и зависит от суммарного веса товаров заказа и удаленности адреса доставки.
Время доставки
Время доставки согласовывается с менеджером Службы доставки, который обязательно свяжется с вами сразу после того, как вы разместите свой заказ.
Для осуществления доставки в регионы России мы пользуемся услугами компаний СДЭК, ЖелДорЭкспедиция, Автотрейдинг, Деловые Линии. В таком случае, указанными кампаниями взимается стоимость доставки по их внутренним тарифам с заказчика при получении товара.
Самовывоз
Забрать товар самостоятельно и абсолютно бесплатно можно только по адресу: Москва, Зеленоград, Панфиловский проспект, дом 10.
Забрать товар самовывозом можно по любому из адресов самовывоза указанных здесь, стоимость доставки до пункта самовывоза рассчитывается для каждого заказа по тарифам транспортных компаний.











